Rufen Sie uns an: +43 2236 25 223 0
Sprache:
Deutsch
  • Deutsch
  • English

Emco Holz & Hobby

Anmelden
Ihr Konto
shopping_cart Warenkorb (0)
  •   EMCO Ersatz-/ Zubehörteile
    •   Kreissägemaschinen
      • EMCO TS-5
      • EMCO MK 81
      • KS 80
      • Emco Max
    •   Drechselmaschinen
      • EMCO DB-5
      • EMCO DB-6
      • EMCO DB-7
    •   Kombimaschinen
      • EMCO STAR SUPER
      • EMCO STAR 2000
      • EMCO STAR
      • EMCO STAR/REX
      • EMCO REX B30
      • EMCO REX B20
      • EMCO REX 2000
      • EMCO REX 1000
      • Emco Star 3000
      • Multistar
      • Maxi 26
    •   Hobelmaschinen
      • EMCO MH 26
      • EMCO MH 30
      • Emco REX B 30
      • EMCO KING 260
    •   Bandsägen
      • EBS 400
      • EMCO BS6
      • EMCO BS5
      • EMCO BS4
      • EMCO STAR 2000/STAR SUPER
      • EMCO SWING
      • EMCO STAR
      • EMCO EASYCUT
      • EMCO CÄSAR II
      • EMCO CÄSAR I
      • EMCO BS3
      • EMCO BS2
      • Emco EBS 800
      • Sting
      • EBS 600
      • EBS 500
    •   Absaugungen
      • EMCO AS 5
    •   Fräsmaschinen
      •   Tischfräsmaschinen
        • EMCO TF 10
        • EMCO TF 65
      •   EMCO Maximat F1
        • Ersatzteile
        • Zubehör
      • EMCO FB 2
      • FB 3
    •   Drehmaschinen
      • EMCO Compact 10
      •   EMCO Unimat 3
        • Zubehör
        • Ersatzteile
      •   EMCO Unimat PC
        • Zubehör
        •   Ersatzteile
          • Unistar
      • EMCO Unimat SL
      •   EMCO Compact 5
        • Ersatzteile
        • Zubehör
      •   EMCO Compact 8
        • Ersatzteile
        • Zubehör
      •   EMCO Unimat 4
        • Zubehör
        • Ersatzteile
      • Emcomat 7/ V8
      • EMCOMAT 8.4/8.6
      • Maximat V10 P / Maximat Mentor 10
      • EMCO Maximat Super 11
      • Emco Unimat Basic
      • Maximat V 13
      • Maximat V 13
      • Emco Compact 8 E
    • LUREM
    •   Scheppach
      • PROFI E SF 2
  •   Metallbearbeitung
    • Sägen
    •   Bohren
      • Maschinen
      • Werkzeug Bohren
    •   Drehen
      • Drehmaschinen
      • Zubehör Drehen
    • Kataloge Download
    •   Fräsen
      • Zubehör Fräsen
      • Fräsmaschinen
  • Holzbearbeitung
  • Literatur

  1. Startseite
  2. EMCO Ersatz-/ Zubehörteile
  3. Kreissägemaschinen
  4. EMCO MK 81
  • EMCO MK 81

Verkaufshits

  • GUMMIAUFLAGE Pos.7 für EMCO...

    28,80 €
  • KEILRIEMEN GATES 5M-690...

    37,20 €

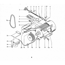
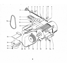
EMCO MK 81

EMCO MK 81

74 Artikel gefunden

Sortiert nach:
Best sellers Relevanz Name (A bis Z) Name (Z bis A) Preis (aufsteigend) Preis (absteigend)
73 - 74 von 74 Artikel(n)

Aktive Filter

Vorschau

TÜR für MK81

Preis 27,46 €
Artikeldetails
Vorschau

SPALTKEIL FÜR HM-BLATT...

Preis 21,31 €
Artikeldetails
73 - 74 von 74 Artikel(n)
  • Zurück
  • 1
  • …
  • 5
  • 6
  • 7
  • Weiter
Zum Seitenanfang 

Erhalten Sie unsere Neuigkeiten und Sonderangebote

Sie können Ihr Einverständnis jederzeit widerrufen. Unsere Kontaktinformationen finden Sie u. a. in der Datenschutzerklärung.

Artikel

Artikel  
  • Angebote
  • Neue Produkte
  • Verkaufshits

Unternehmen

Unternehmen  
  • Lieferung
  • Rechtliche Hinweise
  • Unsere AGB
  • Über uns
  • Sichere Zahlung
  • Sitemap
  • Shops

Ihr Konto

Ihr Konto  
  • Persönliche Angaben
  • Bestellungen
  • Rückvergütungen
  • Adressen

Kontakt

Emco Holz & Hobby
Brown Boveri-Strasse 8/1
2351 Wiener Neudorf
Rufen Sie uns an: +43 2236 25 223 0
Fax: +43 2236 25 223 477
E-Mail: vertrieb@emco.or.at
Kontakt

© 2025 - Emco Holz & Hobby GmbH